Главная _
Анемостат со стеклянной внешней частью FOZA D 125 мм. RAL 1013
Анемостат со стеклянной внешней частью FOZA D 125 мм. RAL 1013
-24%
В наличии
3 803 руб.4991
Доставка в Екатеринбург
До ПВЗ: от 220 руб., 3 - 4 дня
Доставка до двери: от 370 руб., 3 - 4 дня
27 пунктов выдачи в Екатеринбурге Подробнее
Бренд: FoZa
При оформлении заказа в графе "Имя" просим Вас, указывать желаемый цвет.
Поверхность стекла глянцевая и матовая.
Обозначения цветов добавлены в фотографии.
Описание:
- Стеклянные круглые и квадратные дизайнерские анемостаты (диффузоры) FOZA.
- Правильные геометрические формы придают завершённый вид.
- Анемостаты FOZA вписываются в любой интерьер.
- Особенности анемостатов FOZA: Широкая палитра 200 цветов.
- Благодаря технологии обработки стекла Optiwhite не искажается цветопередача.
- Анемостаты FOZA круглые и квадратные.
- Лицевая часть анемостатов FOZA изготавлена из специального стекла Optiwhite.
- Преимущество стекол Optiwhite:
- правильная цветопередача.
- максимальная пропускная способность света;
- отсутствие зеленоватого оттенка, присущего обычному стеклу;
- повышенная степень прозрачности.
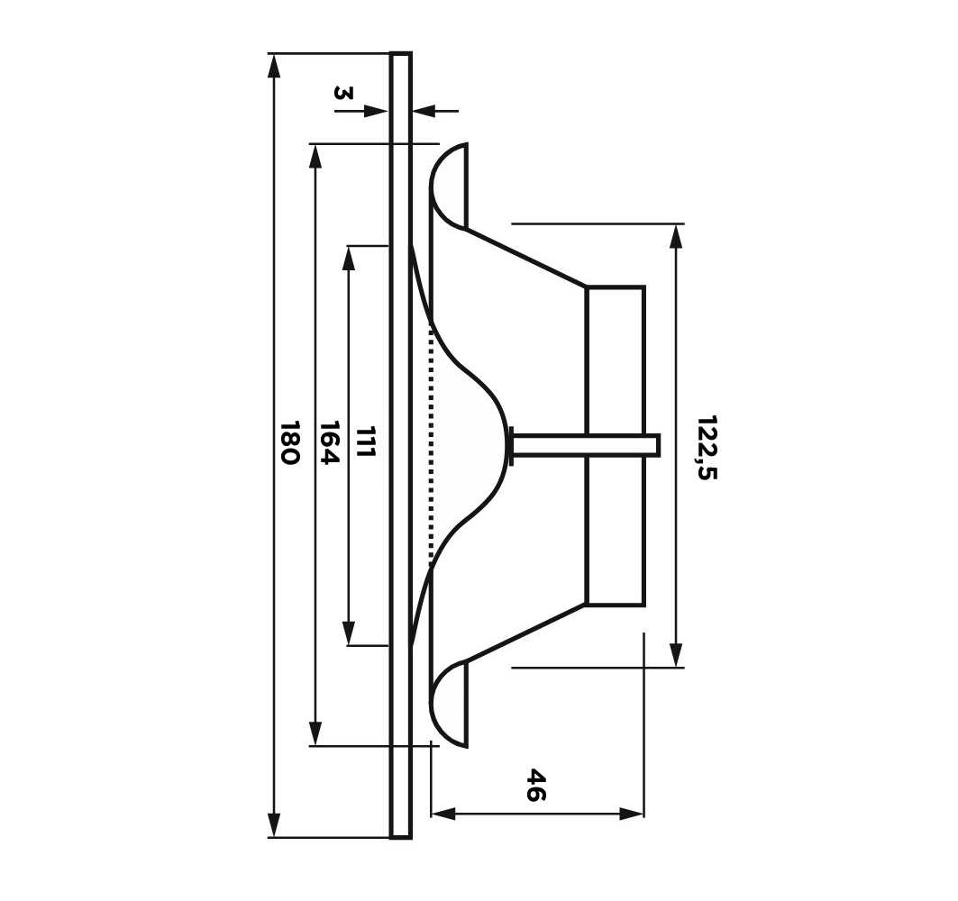
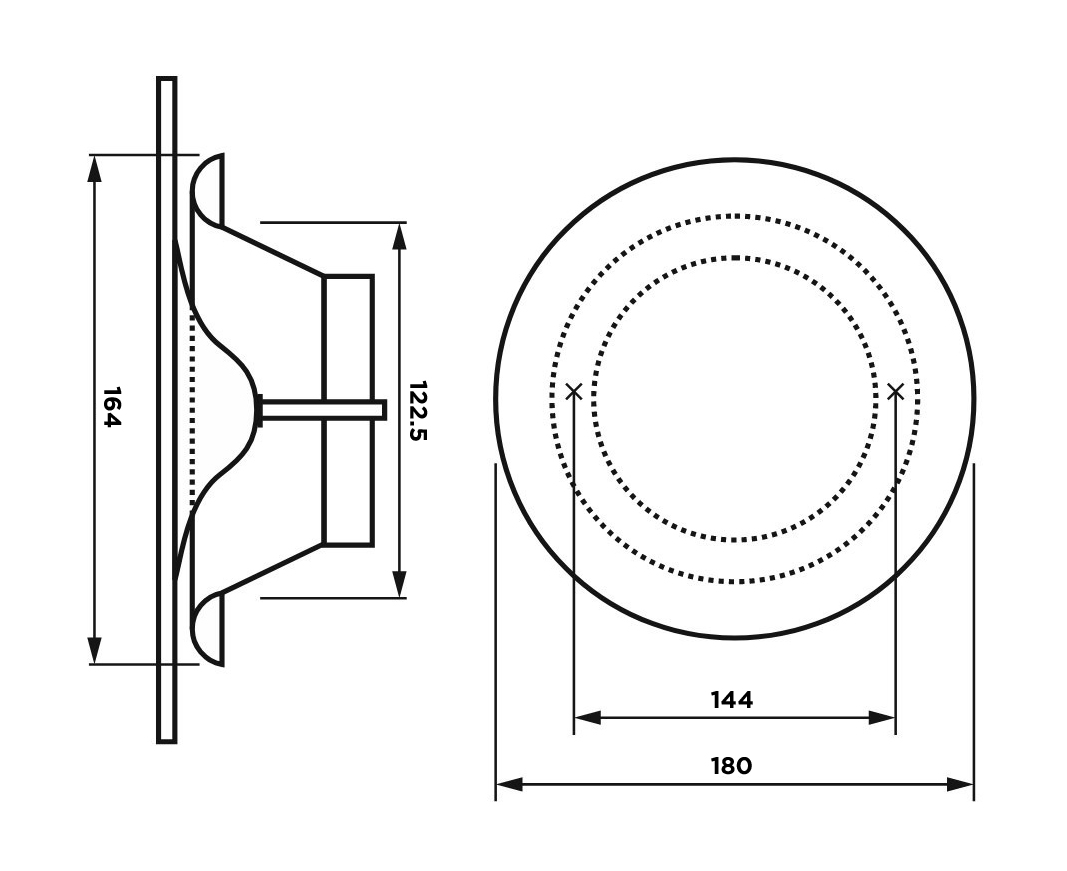
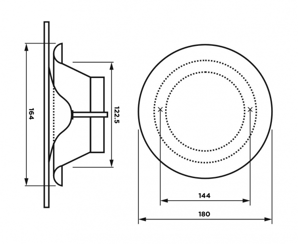
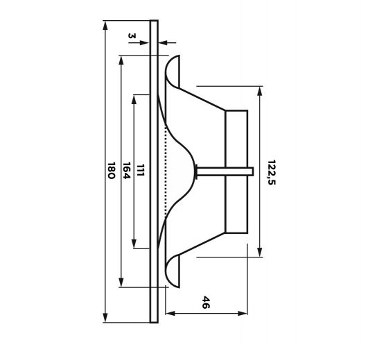
Характеристики:
| Модель: | Ф посадочный мм | Ф внешний |
| FOZA-100 | 100 | 160 |
| FOZA-125 | 125 | 180 |
| FOZA-150 | 150 | 260 |
| FOZA-160 | 160 | 260 |
|
Модель |
Размеры, мм |
|||
|
D1 |
D2 |
D |
d |
|
|
FOZA-100 |
136 |
160 |
129 |
98,5 |
|
FOZA-125 |
156 |
180 |
154 |
124 |
|
FOZA-150 |
209 |
260 |
189 |
148 |
|
FOZA-160 |
240 |
260 |
229 |
158 |
| Диаметр: | 125 |
| Производитель: | FOZA |
| Особенности: | Регулируемые диффузоры |
| Страна производства: | Россия. |
| Серия: | Стеклянные Анемостаты FOZA |
| Внешний диаметр: | 180 мм |
Авторизуйтесь, чтобы оставить отзыв: Войти











